Карта России Карта Петербурга Карта автодорог Беларуси Мавазолей Студия ЛУВР Карта Беларуси Афиша Минска Комаровка Цены на авто Запчасти В Минске
МИНСК. СТУДИЯ "ЛУВР"
Фото. Фотограф
Карта автодорог Минска
Начало  дорог Беларуси
Схема генератора автомобиля
Электрическая схема генератора автомобиля

Поиск по сайтам о Минске
Например: Схема генератора автомобиля. Схема регулятора напряжения
ПУТЕШЕСТВИЯ ПО БЕЛАРУСИ
Belarus Photo
Это страна замков!
Экскурсии по Минску
ФОТОГРАФИИ МИНСКА
Фото. Верстовой столб
Минск 50-х сегодня
Фотографии Минска
ФОТОГРАФИИ МИНСКА
Фото. Верстовой столб
Минский тракторный МТЗ
Минский автобусный МАЗ
Авторынок Цены на авто Запчасти В Минске Nemiga Discovery-Belarus Belarus-Nemiga Минск 12 месяцев Средневековые города Беларуси Polotsk Могилев Grodno Nesvizh Slutsk Logoisk Myadel Orsha
На главную
Авторынок Малиновка
Авторынок Ждановичи
Время работы рынка
Где находится рынок
Устройство Болида
Устройство Болида
Мерседес Штирлица
Мерседес Брежнева
Мерседес Штирлица
Знаменитый ЗИМ
Народный Жук
Шевроле Камара
Как правильно питаится
Бил Гейц от подиума
Мисс Мира
Мисс Беларусь
Кинофестиваль Листопад
Мисс Интерконтиненталь
Художник Малявин
Художник Кустодиев
Популярные экскурсии
Музыкальный театр
Театр "Христофор"
Цирк Шапито
Игорь Растеряев
Список турфирим Минска
Список турфирим Минска
Фотостудия в Минске
Фотостудия в Минске

Туристическая карта Минска
Туристическая карта Минска

Pogoda в Минске
Pogoda в Минске

Погода на Беларуси. Погода на завтра
Гостиницы в Минске




Каталог TUT.BY
Немига.Инфо. 2003-2021
Связь по ICQ 288-702-522 288702522
Все материалы сайта являются собственностью студии "Лувр"
Все права защищены!


Схема генератора автомобиля
Электрическая схема генератора автомобиля. Фотография. Схема генератора автомобиля.

Схема генератора автомобиля фото. Электрическая схема генератора автомобиля
Ремонт электрогенератора. Схема генератора автомобиля.
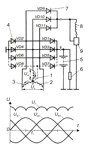
Uф1 — Uф3 - напряжение в обмотках фаз: Ud - выпрямленное напряжение; 1, 2, 3 - обмотки трех фаз статора: 4 - диоды силового выпрямителя; 5 - аккумуляторная батарея; 6 - нагрузка; 7 - диоды выпрямителя обмотки возбуждения; 8 - обмотка возбуждения; 9 - регулятор напряжения

    Ремонт электрогенератора. Принцип действия генератора    >>>>

     В основе работы генератора лежит эффект электромагнитной индукции. Если катушку например, из медного провода, пронизывает магнитный поток, то при его изменении на выводах катушки появляется переменное электрическое напряжение. И наоборот, для образования магнитного потока достаточно пропустить через катушку электрический ток.

     Таким образом, для получения переменного электрического тока требуются катушка, по которой протекает постоянный электрический ток, образуя магнитный поток, называемая обмоткой возбуждения и стальная полюсная система, назначение которой — подвести магнитный поток к катушкам, называемым обмоткой статора, в которых наводится переменное напряжение. Эти катушки помещены в пазы стальной конструкции, магнитопровода (пакета железа) статора. Обмотка статора с его магнитопроводом образует собственно статор генератора, его важнейшую неподвижную часть, в которой образуется электрический ток, а обмотка возбуждения с полюсной системой и некоторыми другими деталями (валом, контактными кольцами) - ротор, его важнейшую вращающуюся часть.

     Питание обмотки возбуждения может осуществляться от самого генератора. В этом случае генератор работает на самовозбуждении. При этом остаточный магнитный поток в генераторе, т. е. поток, который образуют стальные части магнитопровода при отсутствии тока в обмотке возбуждения, невелик и обеспечивает самовозбуждение генератора только на слишком высоких частотах вращения. Поэтому в схему генераторной установки, там где обмотки возбуждения не соединены с аккумуляторной батареей, вводят такое внешнее соединение, обычно через лампу контроля работоспособного состояния генераторной установки.

     Ток, поступающий через эту лампу в обмотку возбуждения после включения выключателя зажигания и обеспечивает первоначальное возбуждение генератора. Сила этого тока не должна быть слишком большой, чтобы не разряжать аккумуляторную батарею, но и не слишком малой, т. к. в этом случае генератор возбуждается при слишком высоких частотах вращения, поэтому фирмы-изготовители оговаривают необходимую мощность контрольной лампы — обычно 2...3 Вт.

     При вращении ротора напротив катушек обмотки статора появляются попеременно "северный", и "южный" полюсы ротора, т. е. направление магнитного потока, пронизывающего катушку, меняется, что и вызывает появление в ней переменного напряжения.


Схема генератора автомобиля
Электрическая схема генератора автомобиля. Фотография. Схема генератора автомобиля.

Схема регулятора напряжения. Электрическая схема генератора автомобиля.
Ремонт электрогенератора. Схема регулятора напряжения EE14V3 фирмы BOSCH:
1 - генератор, 2 - регулятор напряжения, SA - замок зажигания, HL - контрольная лампа на панели приборов.

Олдтаймеры и т.д. на выставке в Минске
Бьюик маршала?
"Бьюик" маршала?
Схема генератора автомобиля
Схема генератора автомобиля
Форд Ильфа и Петрова?
"Форд" Ильфа и Петрова?
Эх прокачу! Козлевича?
"Эх прокачу!" Козлевича?
Ягуар-100
Ягуар-100

    "От ретро до наших дней". Минск. Сентябрь 2007г.
     На шоу "От ретро до наших дней", в день города Минска на стадионе "Трактор" были представлены десятки ретромобилей! Начиная с главного железного героя "Золотого Телёнка" - "Антилопы Гну" Козлевича и заканчивая знаменитой "Чайкой" П.И.Машерова. Но все же "звездой шоу" был Ягуар-100! Историки автомобилестроения утвержают, что таких авто было выпущено всего-навсего 314 экземпляров!


novosti-belarus. Minsk
No Comment?   No!   Comment!
Более подробную информацию об этом можно узнать, кликнув по картинке...

Электрическая схема генератора автомобиля. Ретроавтомобили в Минске Электрическая схема генератора автомобиля. Ретроавтомобили в Минске. Ремонт электрогенератора. Худлжники в Полоцке. Время Луны. Картинка. Реферат. Обои для компьютера< Электрическая схема генератора автомобиля. Схема генератора автомобиля. По Млечному Пути. Атомный дом. По Млечному Пути. Люкс для миллионера 51см x 40см Сны параллельного мира - Разбудивший Время 70см x 60см Аква-терра-2 53см x 90см Вечная битва ( Два ангела). 63см x 80см 8800 руб. 2010-я весна 2010-я весна Марка из Испанской коллекции 55см x 70см Освобождение 70см x 80см Третий Пейзаж Забытого Времени Странное Зодчество Портал Фараонов (Точка Отправления) Кто ТЫ, Земля? Сага Маяков Одной Ночи Сайт. Фото. Схема генератора автомобиля из Белоруссии.

Мобильный патруль Фото Беларуси
Мобильный патруль!
Ну что? Захостимся!
Схема генератора автомобиля. Схема генератора автомобиля из Белоруссии Тут как в сказке - скрипнула дверь!
Почем нынче звезды?
Курсы обмена Валют
Фотостудия "Лувр"
История фирмы Нокия
Продажа картин в Минске
Минский вернисаж
Мисс Интерконинталь
Авторынки Минска
Как добраться?
Рекламные агентства
Адреса ресторанов Минска
Достопримечательности Минска. Интересные места города
Интересные места города
Минск 50-х сегодня. Карта Минска
Минск 50-х сегодня
Discovery-Belarus
Belarus-Nemiga
Belarusian Discovery
National-geographic
Discovery-science
Animal-planet
Belarusian Hhistory
Discovery Civilisation
Гербы городов Беларуси
Беловежская пуща
Пальмы на Минском море? Фото Беларуси
Где это Минское море?
О городах Беларуси
Дворец Паскевичей
Музыкальная столица?
Анастасия жила в Слуцке
Гродно. Корона Батория
Нарочь - озеро или курорт
Орша-город на Днепре
Средневековый Полоцк
Борисов-Борисфен!

Немига.Инфо. 2003-2021
Связь по ICQ 288-702-522 288702522
Все материалы сайта являются собственностью студии "Лувр"
Все права защищены!

Наш e-mail vic2005@mail.ru    Студия "Лувр" представляет:
Studio Louvre. Minsk