Карта России Карта Петербурга Карта автодорог Беларуси Дороги России Студия ЛУВР Карта Беларуси Карта Волги Комаровка Цены на авто Красотки Долги наши
МИНСК. СТУДИЯ "ЛУВР"
Карта Мира
Страны, столицы
Карта дорог России
4. Вега-МП-122с
Принципиальная схема магнитофона Вега-МП-122с

Поиск по сайту
Например: Вега-МП-122с
ПУТЕШЕСТВИЯ ПО БЕЛАРУСИ
Belarus Photo
Это страна замков!
Экскурсии по Минску
ФОТОГРАФИИ МИНСКА
Фото. Верстовой столб
Минск 50-х сегодня
Фотографии Минска
ФОТОГРАФИИ МИНСКА
Фото. Верстовой столб
Минский тракторный МТЗ
Минский автобусный МАЗ
ПУТЕШЕСТВИЯ ПО БЕЛАРУСИ
Belarus Photo
Это страна замков!
Экскурсии по Минску
ФОТОГРАФИИ МИНСКА
Фото. Верстовой столб
Минск 50-х сегодня
Фотографии Минска
ФОТОГРАФИИ МИНСКА
Фото. Верстовой столб
Минский тракторный МТЗ
Минский автобусный МАЗ
ПУТЕШЕСТВИЯ ПО БЕЛАРУСИ
Belarus Photo
Это страна замков!
Экскурсии по Минску
FM-модулятор Лада Гранта Лада Калина Лада Авторынок Цены на авто Запчасти В Минске Nemiga Карта Японии Belarus-Nemiga Минск 12 месяцев Nesvizh Slutsk Logoisk
На главную
1. Вега-МП-122с
2. Вега-МП-122с
3. Вега-МП-122с
4. Вега-МП-122с
5. Вега-МП-122с
6. Вега-МП-122с
7. Вега-МП-122с
7. Вега-МП-122с
Усилитель на микросхеме К174УН7
Вега-МП-122с
Ультралинейный усилитель класса А
Усилитель Маяк-205
Ламповый усилитель
Китайское авто
Еще Китайское авто
Самое безобразное авто
Кто такой "Мул"
Про Тольятти
А где Тольятти
Про Автоваз
Лада Гранта
Магнитофон-приставка Вега-МП-122с
Лада Калина
ГАЗ «Тигр-2»
Первый российский спорткар
Самое смешное авто
Китайское авто
Китайское авто -2
Что такое Брабус
Город Тольятти
Жигулевские горы
Жигулевская ГЭС
Где находится ГАЗ
Ремонт генератора
Популярные иномарки
ГАЗ - Ермак
Ведь могут же !!!
Немецкий Орёл !!!
Мазовский капотник
Где пройти техосмотр
Двери - гильотина!
Президентский ЗИЛ
90 лет ГОНу
Авто царя Николая 2
Форд-Т Троцкого
Сталинский ЗИС
Гагаринская Чайка
ЗИЛ Брежнева
Охотничий джип
Авто маршала Жукова
Авторынок Малиновка
Авторынок Ждановичи
Время работы рынка
Где находится рынок
Список турфирим Минска
Устройство Болида
Мерседес Штирлица
Мерседес Брежнева
Мерседес Штирлица
Знаменитый ЗИМ
Народный Жук
Как правильно питаится
Бил Гейц от подиума
Мисс Мира
Мисс Беларусь
Кинофестиваль Листопад
Мисс Интерконтиненталь
Художник Малявин
Художник Кустодиев
Популярные экскурсии
Музыкальный театр
Театр "Христофор"
Цирк Шапито
Игорь Растеряев
Список турфирим Минска
Список турфирим Минска
Фотостудия в Минске
Фотостудия в Минске

Туристическая карта Минска
Туристическая карта Минска

Pogoda в Минске
Pogoda в Минске




Каталог TUT.BY
Немига.Инфо 2003-2021
vic2005@mail.ru
Связь по ICQ 288-702-522 288702522
Ferrari F50
Все права защищены!


4. Магнитофон-приставка Вега-МП-122с
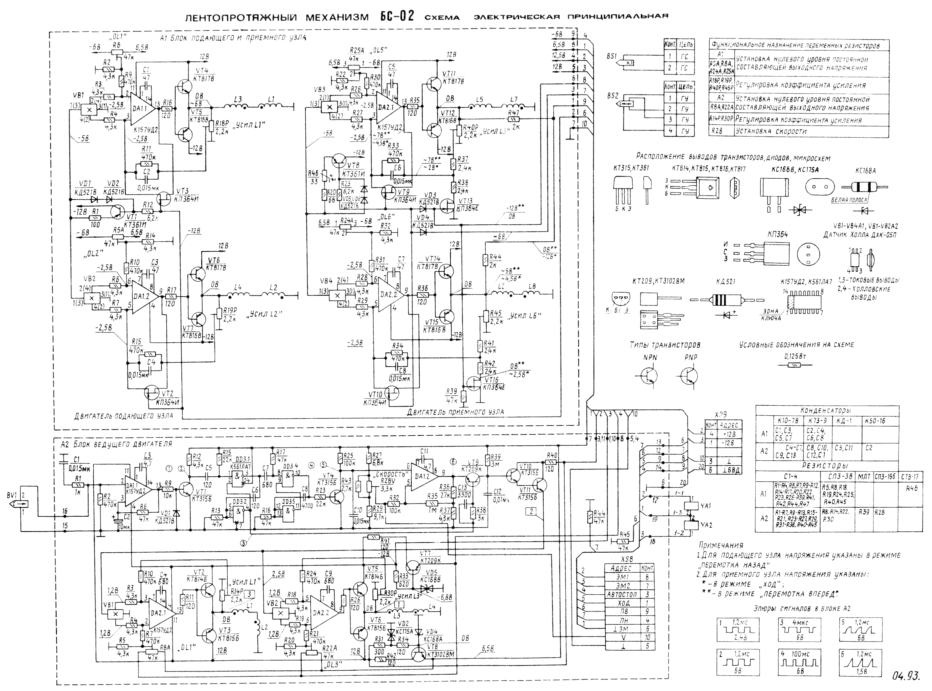
Принципиальная схема магнитофона Вега-МП-122с. Лентопротяжный механизм

фото. Магнитофон-приставка Вега-МП-122с. Принципиальная схема магнитофона Вега-МП-122с
4. Магнитофон-приставка Вега-МП-122с. Принципиальная схема магнитофона Вега-МП-122с

Принципиальная схема магнитофона Вега-МП-122с
Магнитофон Вега-МП-122с

фото. Магнитофон Вега-МП-122с
Магнитофон Вега-МП-122с

Принципиальная схема магнитофона Вега-МП-122с
Усилитель Вега У-120-стерео

фото. Усилитель Вега У-120-стерео
Усилитель Вега У-120-стерео

novosti-belarus. Minsk
No Comment?   No!   Comment!
Более подробную информацию об этом можно узнать, кликнув по картинке...

Магнитофон-приставка Вега-МП-122с - доступны два уровня оснащения: «Стандарт» и «Норма» Магнитофон-приставка Вега-МП-122с - доступны два уровня оснащения: «Стандарт» и «Норма». Ретро Авто. Худлжники в Полоцке. Время Луны. Картинка. Реферат. Принципиальная< Магнитофон-приставка Вега-МП-122с . Сайт. Фото. Самодельный Усилитель Редчайший суперкар.

Наш e-mail vic2005@mail.ru    Студия "Лувр" представляет:
Studio Louvre. Minsk