Карта России Карта Петербурга Карта автодорог Беларуси Дороги России Студия ЛУВР Карта Беларуси Карта Волги Комаровка Цены на авто Красотки Долги наши
МИНСК. СТУДИЯ "ЛУВР"
Карта Мира
Страны, столицы
Карта дорог России
Схема преобразователя из стерео в псевдо 5.1
Принципиальная схема 5.1

Поиск по сайту
Например: Схема преобразователя из стерео в псевдо 5.1
ПУТЕШЕСТВИЯ ПО БЕЛАРУСИ
Belarus Photo
Это страна замков!
Экскурсии по Минску
ФОТОГРАФИИ МИНСКА
Фото. Верстовой столб
Минск 50-х сегодня
Фотографии Минска
ФОТОГРАФИИ МИНСКА
Фото. Верстовой столб
Минский тракторный МТЗ
Минский автобусный МАЗ
Ламповый усилитель для наушников FM-модулятор Лада Гранта Лада Калина Лада Nemiga Карта Японии Belarus-Nemiga Минск Самолет АН-12
На главную
Кто-нибудь перестраивал блок УКВ-1-05С
Линамик 3ГДВ-1
Линамик 35ГДН-1
Линамик 4ГД-4
Колонка для лампового усилителя
Колонка для лампового усилителя 3 АС-503
Как измерить выходную мощность усилителя низкой частоты
Юморной усилитель
Усилитель на микросхеме К174УН7
Усилитель на микросхеме К174УН14
Ультралинейный усилитель класса А
1. Вега-МП-122с
2. Вега-МП-122с
3. Вега-МП-122с
4. Вега-МП-122с
5. Вега-МП-122с
6. Вега-МП-122с
7. Вега-МП-122с
Усилитель Маяк-205
Ламповый усилитель для наушников
Телевизор Самсунг
Китайское авто
Еще Китайское авто
Самое безобразное авто
Кто такой "Мул"
Про Тольятти
А где Тольятти
Про Автоваз
Лада Гранта
Сколько стоит Ламповый усилитель для наушников
Лада Калина
ГАЗ «Тигр-2»
Первый российский спорткар
Самое смешное авто
Китайское авто
Китайское авто -2
Что такое Брабус
Город Тольятти
Жигулевские горы
Жигулевская ГЭС
Где находится ГАЗ
Ремонт генератора
Популярные иномарки
ГАЗ - Ермак
Ведь могут же !!!
Немецкий Орёл !!!
Мазовский капотник
Где пройти техосмотр
Двери - гильотина!
Президентский ЗИЛ
90 лет ГОНу
Авто царя Николая 2
Форд-Т Троцкого
Сталинский ЗИС
Гагаринская Чайка
ЗИЛ Брежнева
Охотничий джип
Авто маршала Жукова
Авторынок Малиновка
Авторынок Ждановичи
Время работы рынка
Где находится рынок
Список турфирим Минска
Устройство Болида
Мерседес Штирлица
Мерседес Брежнева
Мерседес Штирлица
Знаменитый ЗИМ
Народный Жук
Как правильно питаится
Бил Гейц от подиума
Мисс Мира
Мисс Беларусь
Кинофестиваль Листопад
Мисс Интерконтиненталь
Художник Малявин
Художник Кустодиев
Популярные экскурсии
Музыкальный театр
Театр "Христофор"
Цирк Шапито
Игорь Растеряев
Список турфирим Минска
Список турфирим Минска
Фотостудия в Минске
Фотостудия в Минске

Туристическая карта Минска
Туристическая карта Минска

Pogoda в Минске
Pogoda в Минске



Каталог TUT.BY
Немига.Инфо. 2003-2024
vic2005@mail.ru
Все права защищены!


Схема преобразователя из стерео в псевдо 5.1
Принципиальная схема. Что такое 5.1

Схема преобразователя из стерео в псевдо 5.1. фото.

Схема преобразователя из стерео в псевдо 5.1

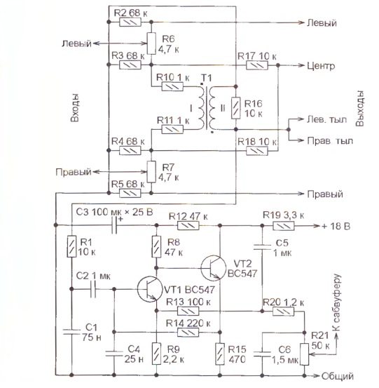
Схема представленная в статье преобразует обычный двухканальный стереосигнал в пятиканальный, обеспечивающий эффект пространственного звучания. Это позволит вашим стереофоническим записям приобрести объем.

Входные сигналы левого и правого стереоканалов передаются на соответствующие выходы без изменений. На центральный фронтальный выход поступает их сумма, полученная с помощью сумматора, образованного резисторами R17 и R18. Сигналы двух тыловых каналов идентичны и представляют собой разность входных сигналов.

Её получают с помощью трансформатора Т1 (коэффициент трансформации 1, номинальное сопротивление нагрузки 600 Ом). Балансируют «вычитатель», подав на входы идентичные сигналы и добиваясь с помощью переменных резисторов R6 и R7 минимума тыловых выходных сигналов. Сигнал для сабвуфера образуется из тылового, прошедшего через ФНЧ на транзисторах VT1 и VT2.    фото отсюда >>>


     Ламповый усилитель для наушников

Ситуация в сфере головных телефонов развивается от простого к сложному. Поначалу рынок поглощал огромное количество дешёвых моделей для айфонов, затем в гонку включились маститые производители акустики, в результате чего приличное качество звучания стало широкодоступным. Музыку стали слушать и дома, для чего потребовались уже более серьёзные наушники. Что, в свою очередь, дало толчок к развитию отдельного вида техники — телефонных усилителей.     >>>


Усилитель для стереонаушников.

фото. Схема усилителя для стереонаушников.

Усилитель для стереонаушников.

Большое внимание уделено питанию. Большую часть корпуса занимают тороидальный трансформатор и три дискретных стабилизатора с мощными регулирующими транзисторами. В сглаживающих фильтрах используются качественные конденсаторы Panasonic FM. Регулятор громкости — популярный у прогрессивных самодельщиков потенциометр ALPS RK27. В целом аппарат выполнен по идеологии продвинутого усилителя мощности в версии Light.

При включении начинает мигать кольцевая подсветка сетевой кнопки, секунд через 40 внутри щёлкает реле, и усилитель выходит на рабочий режим. Но это теоретически, на самом деле его лучше с часок прогреть, чтобы «вошли в голос» элементы звукового тракта.

Испытывался HH1 с наушниками двух типов — 300-омными Sennheiser HD 580 и Philips Fidelo X1 сопротивлением 30 Ом. И те и другие обладают высокой чувствительностью, широким рабочим диапазоном и малыми искажениями.

Начинаем с Sennheiser HD 580. Первое, что стоит отметить — полное отсутствие каких-либо шумов или фона при закороченных входах. И это, между прочим, с высокочувствительными наушниками и лампами на входе. Звучание в целом нейтральное, с богатой серединой, но слегка ослабленным верхним диапазоном. Вокал великолепен — рельефен, богат тембрами, прекрасно артикулирован. Нижний регистр предельно информативен, без монотонности, с чётко читаемой структурой. Характер воспроизведения как у дорогого мониторного комплекта — математически точно, но как-то отстранённо, без «искры». Что ценно — все свойства сохраняются на любой громкости. Ни искажений, ни компрессии, ни окраски, запас по динамике колоссален.

Переходим на 30-омные Fidelo X1. Это уже что-то — в звучании появляется драйв, удар приобретает хлёсткость, бас буквально отвязывается, заметно прочищается верхний диапазон. Такой вариант смело рекомендую любителям рока и других эмоционально насыщенных жанров. Правда, здесь очень заметны сибилянты, на некоторых записях даже чересчур. Усилитель, будучи совершенно прозрачным сам по себе, имеет склонность подчёркивать особенности остальных элементов тракта. Поэтому формирование индивидуальной системы лучше начать с HH1, а уж под него подбирать наушники и кабели. Результат может порадовать даже очень взыскательного меломана.
КОМПОНЕНТЫ
CD-проигрыватель Primare CD22 (66500 руб.)
Стереотелефоны Philips Fidelo X1 (13000 руб.) и Sennheiser HD 598 (7100 руб.)
Межблочные кабели Cardas Cross RCA 0,75 м (23089 руб.)
Силовые кабели Physics Style PW-Reference (38000 руб.)
МУЗЫКА, КОТОРУЮ МЫ СЛУШАЛИ
1. Ozzy Osbourne, «Ozzmosis». Electric Records, 1995
2. «Naim Sampler #8». Naim Label, 2013
3. Nirvana, «Unplugged In New York». Geffen, 1994


Усилитель
Детали для сборки усилителя.

фото. Cary Audio Design LLC (США)

Cary Audio HH1

Производитель: Cary Audio Design LLC (США) www.caryaudio.com

Входное сопротивление: 50 кОм ||
Усиление: 2 дБ ||
Воспроизводимый диапазон: 5 — 35000Гц ||
Искажения: <0,05% ||
Разделение каналов (10 кГц): >70 дБ ||
Выходная мощность (300/30 Ом): 200/300 мВт ||
Выходное сопротивление: 5 Ом ||
Рекомендованное сопротивление стереотелефонов: 30 — 600 Ом ||
Габариты: 102 х 368 х 216 мм || Масса: 4,54 кг || Цена: 79000 руб.     сюда >>>


Усилитель
Оказывается и такие "усилители" бывают

Ламповый усилитель для наушников. фото. Как самому собрать Усилитель.

Долго не мог найти подходящую рукоятку для регулятора громкости. В конце концов покопался в шкатулке с бижутерией у жены и нашел симпатичную подвеску со стразами. Жена ее мне отдала, но с условием, что к ближайшему дню рождения получит в замен цепочку и подвеску из настоящего золота. Что ж, искусство и женщины требуют жертв, финансовых по крайней мере.

Я обточил до нужного размера обычную пластиковую ручку регулятора громкости и вклеил ее внутрь подвески. Получился такой вот гламурный регулятор.

В магазине, торгующем мебельной фурнитурой приобрел четыре хромированных металлических дверные ручки. Они будут прикреплены снизу в качестве ножек для придания устойчивости всей конструкции.

Шасси с трансформаторами помещается внутрь шкатулки. В крышке шкатулки делается 3 отверстия (два для крепежа подсвечников и отверстие под регулятор громкости. Все провода припаиваются на место согласно схеме.   фото отсюда >>>


novosti-belarus. Minsk
No Comment?   No!   Comment!
Более подробную информацию об этом можно узнать, кликнув по картинке...

Сколько стоит Ламповый усилитель для наушников - доступны два уровня оснащения: «Стандарт» и «Норма» Сколько стоит Ламповый усилитель для наушников - доступны два уровня оснащения: «Стандарт» и «Норма». Ретро Авто. Худлжники в Полоцке. Время Луны. Картинка. Реферат. Обои для компьютера< Сколько стоит Ламповый усилитель для наушников . Сайт. Фото. Самодельный Усилитель Редчайший суперкар.

Экскурсии по Минску
Экскурсии по Беларуси
М. Интерконтиненталь
Мисс Мира. 2010
Мисс Беларусь. 2010
Мисс Беларусь. 2008
Мисс Беларусь. 2006
Мисс Беларусь. 2004
Мисс Беларусь. 2002
Евровидение 2010
Мобильный патруль Фото Беларуси
Мобильный патруль!
Ну что? Захостимся!
Что-то модное бы...
Модные юбки 2
Модные юбки 3
Модные юбки 4
Модные юбки 5
Модные юбки 6
Модные юбки 2011
Сколько стоит Яндекс
Сколько стоит Ламповый усилитель для наушников мтс 029 244 90 62 дом 8-02-244-39-501(до 21-00) Е-мейл MakovichSV@rambler.ru
Почем нынче звезды?
Курсы обмена Валют
Фотостудия "Лувр"
История фирмы Нокия
Продажа картин в Минске
Минский вернисаж
Мисс Интерконинталь
Авторынки Минска
Как добраться?
Рекламные агентства
Адреса ресторанов Минска
Достопримечательности Минска. Интересные места города
Интересные места города
Минск 50-х сегодня. Карта Минска
Минск 50-х сегодня
Discovery-Belarus
Belarus-Nemiga
Belarusian Discovery
National-geographic
Discovery-science
Animal-planet
Belarusian Hhistory
Discovery Civilisation
Гербы городов Беларуси
Беловежская пуща
Пальмы на Минском море? Фото Беларуси
Где это Минское море?
О городах Беларуси
Дворец Паскевичей
Музыкальная столица?
Анастасия жила в Слуцке
Гродно. Корона Батория
Нарочь - озеро или курорт
Орша-город на Днепре
Средневековый Полоцк
Борисов-Борисфен!

Минск. 2003-2014
vic2005@mail.ru
Связь по ICQ 288-702-522 288702522
Все права защищены!

Наш e-mail vic2005@mail.ru    Студия "Лувр" представляет:
Studio Louvre. Minsk